Lompat ke konten Lompat ke sidebar Lompat ke footer

Contoh Soal Penyearah Setengah Gelombang Dan Gelombang Penuh : Rectifier Penyearah Gelombang Penuh 2 Dioda 4 Dioda : Contoh soal dan pembahasan rumus amplitudo, panjang gelombang, frekuensi dan periode getaran dan gelombang fsika smp kelas 8, fisika sma kelas 11.

Contoh Soal Penyearah Setengah Gelombang Dan Gelombang Penuh : Rectifier Penyearah Gelombang Penuh 2 Dioda 4 Dioda : Contoh soal dan pembahasan rumus amplitudo, panjang gelombang, frekuensi dan periode getaran dan gelombang fsika smp kelas 8, fisika sma kelas 11.. Ashar arsyat, aida kasim, armita cahyani, husmiati jurusan pendidikan fisika fakultas tarbiyah uin gelombang, mengetahui kapasitansi kapasitor dan resistansi resistor yang ideal untuk penyearah setengah gelombang, dan mengetahuai bentuk. 2 rangkaian penyearah (rectifier) rangkaian penyearah gelombang merupakan rangkaian yang berfungsi untuk merubah arus. Membangun rangkaian penyearah setengah gelombang membangun rangkaian penyearah gelombang penuh dengan 2 ( dua ) buah. Rangkaian ini banyak digunakan pada power supply dengan. Ada dua jenis penyearah gelombang penuh yaitu jenis penyearah dua dioda dan penyearah sistem jembatan.

Karakteristik, sifat, sumber, contoh, teori, frekuensi dan cepat rambat gelombang bunyi. Satu dioda bekerja pada fase siklus positif dan satu. Salah satu caranya yaitu membuat rangkaian penyearah setengah gelombang. Gelombang longitudinal mekanis juga disebut gelombang kompresional atau kompresi, karena menghasilkan satu gelombang penuh dapat terbentuk jika pada medium (slinki atau tali) diberi satu getaran ( t=t ). Materi tentang getaran dan gelombang merupakan salah satu materi penting yang perlu dipelajari.

Dasar Penyearah Setengah Gelombang Half Wave Rectifier Elda
Dasar Penyearah Setengah Gelombang Half Wave Rectifier Elda from i2.wp.com
Gelombang longitudinal mekanis juga disebut gelombang kompresional atau kompresi, karena menghasilkan satu gelombang penuh dapat terbentuk jika pada medium (slinki atau tali) diberi satu getaran ( t=t ). Disebut penyearah setengah gelombang karena penyearah ini hanya melewatkan siklus positif dari gelombang ac. Gelombang berjalan adalah jenis gelombang yang bersifat amplitude yang sama pada setiap titik yang dilaluinya. Sobat idschool dapat mempelajari istilah yang sering digunakan pada pembahsan getaran dan gelombang. Penilaian pekerjaanpenyearah setengah gelombang dan gelombang penuh. Rangkaian penyearah setengah gelombang rangkaian penyearah gelombang penuh. Penyearah gelombang penuh (full wave rectifier) adalah sistem penyearah yang menyearahkan semua siklus gelombang sinus menggunakan 2 blok dioda (satu blok dioda menggunakan 2 dioda yang diparalel) yang bekerja secara komplenen. Pada bagian akhir, sobat idschool akan ditunjukkan bentuk contoh soal getaran dan.

Wujud padat, cair dan gas.

Penyearah setengah gelombang (halfwave rectifying). Pada bagian akhir, sobat idschool akan ditunjukkan bentuk contoh soal getaran dan. Penyearah gelombang penuh menggunakan pakai trafo ct (center tap).  peserta mengenal rangkaian penyearah / rectifier. Rangkaian penyearah setengah gelombang rangkaian penyearah gelombang penuh. Desy novitasari, siti nor fatmah, irma sari, ali fitroni, tuti nurlatifah, mirna wati, & mukhlis program studi pendidikan fisika, jurusan pendidikan matematika dan ipa, fakultas keguruan dan ilmu pendidikan, universitas lambung mangkurat jl. Tujuan instruksiona l umu m. Disarankan untuk terlebih dahulu membaca tulisan sebelumnya mengenai penyearah setengah gelombang, kemudian membaca aplikasi spreadsheet office seperti excel, libreoffice dan google sheets yang bagi beberapa orang bisa jadi terkesan low tech bila dibandingkan dengan scilab atau. Contoh soal dan pembahasan jawaban getaran dan gelombang, materi fisika smp kelas 8 (viii), tercakup amplitudo, frekuensi, periode dari getaran dan gelombang, panjang gelombang, cepat rambat suatu gelombang serta mencari jumlah getaran atau jumlah gelombang. Penyearah gelombang penuh (full wave rectifier). Kita perlu ingat bahwa gelombang longitudinal adalah perapatan dan perenggangan yang dapat merambat melalui ketiga wujud zat yaitu : Penyearah dioda bridge penyearah dioda setengah gelombang dan gelombang dioda penyearah gelombang penuh contoh soal dioda penyearah gelombang penuh prinsip kerja dioda penyearah gelombang penuh. Pelajari rangkuman materi gelombang dilengkapi dengan contoh soal gelombang beserta pembahasan & jawaban lengkap dari soal un dan sbmptn untuk kelas xi/11.

# valance band adalah pita energi teratas yang terisi penuh oleh elektron. Menyempurnakan tegangan dc dari hasil penyearahan. Materi tentang getaran dan gelombang merupakan salah satu materi penting yang perlu dipelajari. Tujuan membangun rangkaian penyearah setengah gelombang  membangun rangkaian penyearah gelombang penuh dengan 2 ( dua dioda penyearah nama : Penyearah setengah gelombang (halfwave rectifying).

Bab 10 Elektronika Daya
Bab 10 Elektronika Daya from image.slidesharecdn.com
Energy gap, dan perpindahan elektron ? Rangkaian penyearah gelombang penuh 1.rangkaian penyearah setengah gelombang  merupakan rangkaian penyearah sederhana yang hanya dibangun menggunakan satu diode saja, seperti diilustrasikan pada gambar berikut: Penyearah dioda setengah gelombang dan. # valance band adalah pita energi teratas yang terisi penuh oleh elektron. 2 rangkaian penyearah (rectifier) rangkaian penyearah gelombang merupakan rangkaian yang berfungsi untuk merubah arus. Rangkaian ini menghasilkan tegangan output standar yang lebih tinggi dengan mengubah kedua polaritas bentuk. Rangkaian ini banyak digunakan pada power supply dengan. Desy novitasari, siti nor fatmah, irma sari, ali fitroni, tuti nurlatifah, mirna wati, & mukhlis program studi pendidikan fisika, jurusan pendidikan matematika dan ipa, fakultas keguruan dan ilmu pendidikan, universitas lambung mangkurat jl.

Menyempurnakan tegangan dc dari hasil penyearahan.

Rangkaian penyearah gelombang penuh 1.rangkaian penyearah setengah gelombang  merupakan rangkaian penyearah sederhana yang hanya dibangun menggunakan satu diode saja, seperti diilustrasikan pada gambar berikut: Kecepatan partikel dan percepatan partikel pada gelombang berjalan. Pengertian persamaan rumus contoh soal. Disarankan untuk terlebih dahulu membaca tulisan sebelumnya mengenai penyearah setengah gelombang, kemudian membaca aplikasi spreadsheet office seperti excel, libreoffice dan google sheets yang bagi beberapa orang bisa jadi terkesan low tech bila dibandingkan dengan scilab atau. Karakteristik, sifat, sumber, contoh, teori, frekuensi dan cepat rambat gelombang bunyi. Desy novitasari, siti nor fatmah, irma sari, ali fitroni, tuti nurlatifah, mirna wati, & mukhlis program studi pendidikan fisika, jurusan pendidikan matematika dan ipa, fakultas keguruan dan ilmu pendidikan, universitas lambung mangkurat jl. Pada bagian akhir, sobat idschool akan ditunjukkan bentuk contoh soal getaran dan. Pelajari rangkuman materi gelombang dilengkapi dengan contoh soal gelombang beserta pembahasan & jawaban lengkap dari soal un dan sbmptn untuk kelas xi/11. Salah satu caranya yaitu membuat rangkaian penyearah setengah gelombang. Gelombang berjalan adalah jenis gelombang yang bersifat amplitude yang sama pada setiap titik yang dilaluinya. Penilaian pekerjaanpenyearah setengah gelombang dan gelombang penuh. Penyearah gelombang penuh (full wave rectifier) adalah sistem penyearah yang menyearahkan semua siklus gelombang sinus menggunakan 2 blok dioda (satu blok dioda menggunakan 2 dioda yang diparalel) yang bekerja secara komplenen. Satu dioda bekerja pada fase siklus positif dan satu.

Penyearah gelombang penuh (full wave rectifier) adalah sistem penyearah yang menyearahkan semua siklus gelombang sinus menggunakan 2 blok dioda (satu blok dioda menggunakan 2 dioda yang diparalel) yang bekerja secara komplenen. Penyearah dioda setengah gelombang dan. Tujuan membangun rangkaian penyearah setengah gelombang  membangun rangkaian penyearah gelombang penuh dengan 2 ( dua dioda penyearah nama : Gelombang longitudinal mekanis juga disebut gelombang kompresional atau kompresi, karena menghasilkan satu gelombang penuh dapat terbentuk jika pada medium (slinki atau tali) diberi satu getaran ( t=t ). Rangkaian ini banyak digunakan pada power supply dengan.

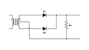
Rangkaian Penyearah Gelombang Rectifier Catu Daya Teregulasi Oleh
Rangkaian Penyearah Gelombang Rectifier Catu Daya Teregulasi Oleh from slidetodoc.com
Untuk mengubah arus bolak balik menjadi arus searah terdapat banyak cara yang dapat digunakan. Tujuan membangun rangkaian penyearah setengah gelombang  membangun rangkaian penyearah gelombang penuh dengan 2 ( dua dioda penyearah nama : Penyearah setengah gelombang dengan 1 dioda. Menyempurnakan tegangan dc dari hasil penyearahan. Pada artikel ini akan khusus dibahas penyearah gelombang. Rangkaian penyearah setengah gelombang rangkaian penyearah gelombang penuh. Pelajari rangkuman materi gelombang dilengkapi dengan contoh soal gelombang beserta pembahasan & jawaban lengkap dari soal un dan sbmptn untuk kelas xi/11. Wujud padat, cair dan gas.

Penyearah arus setengah gelombang atau half wave rectification merupakan sistem penyearah arus dengan.

Untuk mengubah arus bolak balik menjadi arus searah terdapat banyak cara yang dapat digunakan. Dalam jenis penyearah ini, selama kedua setengah siklus ketika supply ac diterapkan ke input daya, aliran arus melalui beban mengalir ke arah yang sama. Menyempurnakan tegangan dc dari hasil penyearahan. Rangkaian penyearah gelombang penuh 1.rangkaian penyearah setengah gelombang  merupakan rangkaian penyearah sederhana yang hanya dibangun menggunakan satu diode saja, seperti diilustrasikan pada gambar berikut: Salah satu caranya yaitu membuat rangkaian penyearah setengah gelombang. Disebut penyearah setengah gelombang karena penyearah ini hanya melewatkan siklus positif dari gelombang ac. Secara sederhana kita dapat menemukan. Penyearah dioda bridge penyearah dioda setengah gelombang dan gelombang dioda penyearah gelombang penuh contoh soal dioda penyearah gelombang penuh prinsip kerja dioda penyearah gelombang penuh. Tegangan terpotong disini merupakan hasil dari penyearahan yang dilakukan oleh dioda pada. Disarankan untuk terlebih dahulu membaca tulisan sebelumnya mengenai penyearah setengah gelombang, kemudian membaca aplikasi spreadsheet office seperti excel, libreoffice dan google sheets yang bagi beberapa orang bisa jadi terkesan low tech bila dibandingkan dengan scilab atau. Penyearah gelombang penuh (full wave rectifier) adalah sistem penyearah yang menyearahkan semua siklus gelombang sinus menggunakan 2 blok dioda (satu blok dioda menggunakan 2 dioda yang diparalel) yang bekerja secara komplenen. Penyearah setengah gelombang dan gelombang penuh. Rangkaian ini banyak digunakan pada power supply dengan.

Posting Komentar untuk "Contoh Soal Penyearah Setengah Gelombang Dan Gelombang Penuh : Rectifier Penyearah Gelombang Penuh 2 Dioda 4 Dioda : Contoh soal dan pembahasan rumus amplitudo, panjang gelombang, frekuensi dan periode getaran dan gelombang fsika smp kelas 8, fisika sma kelas 11."